Reflex Level Gauge Section To Suit 14" Centres
Reflex Level Gauge Section To Suit 14" Centres
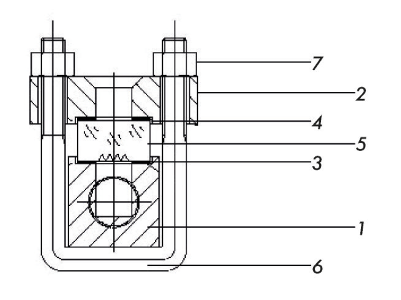
Klinger R100 Reflex Level gauges for steam and process applications and suitable for shut-off fittings such as D Type Klinger gauge Cocks.
The reflex gauge, with solid metal body and armoured reflex glass, provides maximum operator protection and a distinct level indication. It allows direct observation of liquid level in a process vessel. The process liquid level and liquid characteristics can be observed through the glass as it rises and falls in the gauge chamber.
The pressure retaining element which provides rigidity to the gauge assembly and a means to connect the gauge to isolation gauge cocks or other vessel connections.
Klinger’s standard chambers have a flat gasket seat to allow for easy removal of gasket residue and fragments. Because the chamber does not have a recessed face, the gasket may be removed quickly with a flat blade.
Klinger has an optional chamber with a recessed gasket seating surface to meet customer requirements.
Slots are machined into Klinger’s transparent gauge chambers rather than continuous vision slots. These cross ties between vision slots increase the mechanical integrity along the length of the chamber.
The cross tie provides a higher strength chamber due to the reduction of unsupported beam length. Chambers are available with PFA (Teflon®), PECTFE (Halar®), and PETFE (Tefzel®) lining.
| Components | Materials | |||
|---|---|---|---|---|
| FS/H | M/H | M | ||
| 1 | Level Gauge Body | ASTM A 105 | AISI 316 | AISI 316 |
| 2 | Cover | ASTM A 105 | ASTM A 105 | AISI 316 |
| 3 | Sealing Gasket | Graphite PSM | Graphite PSM | Graphite PSM |
| 4 | Cushion Joint | Klingersil | Klingersil | Klingersil |
| 5 | Glass B | Borosilicate | Borosilicate | Borosilicate |
| 6 | Bolts | B7 | B7 | B8 |
| 7 | Nuts | 2H | 2H | 8M |
| Size | Body Length | Sight Length (V) | Approx Weight | D |
|---|---|---|---|---|
| A | A-35 | Kg | A+102 | |
| I | 128 | 93 | 2.9 | 230 |
| II | 153 | 118 | 3.4 | 255 |
| III | 178 | 143 | 3.7 | 280 |
| IV | 203 | 168 | 4.1 | 305 |
| V | 233 | 198 | 4.8 | 335 |
| VI | 263 | 228 | 5.4 | 365 |
| VII | 293 | 258 | 5.9 | 395 |
| VIII | 333 | 298 | 6.8 | 435 |
| IX | 353 | 318 | 7.1 | 455 |
| Datasheets |
|---|
Related Products
Reflex Level Gauge Section To Suit 19" Centres
Excl. VAT: £325.78
Reflex Level Gauge Section To Suit 18" Centres
Excl. VAT: £325.78
Reflex Level Gauge Section To Suit 12" Centres
Excl. VAT: £325.78
Reflex Level Gauge Section To Suit 15" Centres
Excl. VAT: £325.78
Reflex Level Gauge Section To Suit 13" Centres
Excl. VAT: £325.78
Reflex Level Gauge Section To Suit 11" Centres
Excl. VAT: £325.78
